30W min 2-channel AF power amplifier | STK4152II



 30W min 2-channel AF power amplifier


Operating Characteristics at Ta = 25°C, VCC = ±27.5V, RL = 8Ω, Rg = 600Ω, VG = 40dB, RL : non-inductive load



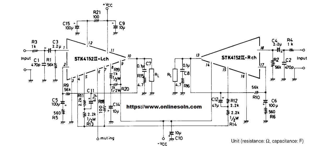
Sample Application Circuit


30W min 2-channel AF power amplifier | STK4152II

Sample Printed Circuit Pattern for Application Circuit (Cu-foiled side)



30W min 2-channel AF power amplifier | STK4152II




Notes. For power supply at the time of test, use a constant-voltage power supply unless otherwise specified. For measurement of the available time for load shorte-circuit and output noise voltage, use the specified transformer power supply shown right. The output noise voltage is represented by the peak value on rms scale (VTVM) of average value indicating type. For AC power supply, use an AC stabilized power supply (50Hz) to eliminate the effect of flicker noise in AC primary line.




Specified Transformer Power Supply (Equivalent to RP-25) 

………………………………………………………………………………………………………………………………………….




Description of External Parts


C1, C2 Input filter capacitors • A filter formed with R3 or R4 can be used to reduce noise at high frequencies. 


C3, C4 Input coupling capacitors • Used to block DC current. When the reactance of the capacitor increases at low frequencies, the dependence of 1/f noise on signal source resistance causes the output noise to worsen. It is better to decrease the reactance. • To reduce the pop noise at the time of application of power, it is effective to increase C3, C4 that fix the time constant on the input side and to decrease C5, C6 on the NF side. 

C5, C6 NF capacitors • These capacitors fix the low cutoff frequency as shown below. To provide the desired voltage gain at low frequencies, it is better to increase C5. However, do not increase C5 more than needed because the pop noise level becomes higher at the time of application of power.
fL= 1/ (2π  ⋅ C5 . R5) = [Hz] STK415

 C15 Decoupling capacitor • Used to eliminate the ripple components that mix into the input side from the power line (+VCC). 

C11, C12 Bootstrap capacitors • When the capacitor value is decreased, the distortion is liable to be higher at low frequencies. 

C9, C10 Oscillation blocking capacitors • Must be inserted as close to the IC power supply pins as possible so that the power supply impedance is decreased to operate the IC stably. • Electrolytic capacitors are recommended for C9, C10. 

C14 Capacitor for ripple filter • Capacitor for the TR10-used ripple filter in the IC system 

C7 Oscillation blocking capacitor • A polyester film capacitor, being excellent in temperature characteristic, frequency characteristic, is recommended for C7. 

R3, R4 Resistors for input filter 

R1, R2 Input bias resistors • Used to bias the input pin potential to zero. These resistors fix the input impedance practically.

 R5, R9 (R6, R10) These resistors fix voltage gain VG. It is recommended to use R5 (R6) = 560Ω, R9 (R10) = 56kΩ for VG = 40dB. • To adjust VG, it is desirable to change R9 (or R10). • When R9 (or R10) is changed to adjust VG, R1 (=R2) =R9 (=R10) must be set to ensure VN balance.

 R11, R13 (R12, R14) Bootstrap resistors • The quiescent current is set by these resistors 2.2kΩ + 2.2kΩ. It is recommended to use this resistor value. 

R21 Resistor for ripple filter • (Limiting resistor for predriver transistor at the time of load short) 

R18 Used to ensure plus/minus balance at the time of clip. 

R19, R20 Resistor for ripple filter • When muting TR11 is turned ON, current flows from ground to -VCC through TR 11. It is recommended to use 1kΩ (1/2W) + 1kΩ (1/2W) allowing for the power that may be dissipated on that occasion. 

R15, R16 Oscillation blocking resistors .


Leave a Comment